25 years ago, this was the first SDR (Software Defined Radio : )!
It took signal to computer, processed it, got it back to DAC to control RF oscillator.
Well, computer was my first IBM PC AT (not XT !) and program was in Assembler.
It made only few cycles between samples. Communication was via parallel port.



Notes say it is working:



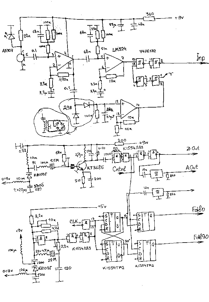
Schematics almost survived: